设为首页 | 加入收藏
 
  • 称重传感器,拉力传感器,张力传感器,测力传感器,称重传感器厂家,蚌埠传感器
  • 称重传感器,拉力传感器,张力传感器,测力传感器,称重传感器厂家,蚌埠传感器
  • 称重传感器,拉力传感器,张力传感器,测力传感器,称重传感器厂家,蚌埠传感器
 
 
 


联系人:崔经理

电话:0552-4084411

手机:13855235116

传真:0552-4074422

华东客服:华东客服

华南客服:华南客服

华北客服:华北客服

西南客服:西南客服

邮件:481059721@qq.com

地址:安徽省蚌埠市长青南路233号

网址:http://www.bbdhdq.com


进口测力传感器/称重传感器 > 产品中心 > 进口测力传感器/称重传感器
tedea/特迪亚1510-100kg称重传感器
[] | [] | [] 进口测力传感器/称重传感器

 产品名称:1510-100kg 1510-100kg传感器 tedea/特迪亚1510-100kg称重传感器

产品型号:1510-100kg,1510-250kg,1510-500kg
产品品牌:美国特迪亚/美国tedea称重传感器
产品类型:单点式传感器 单点式称重传感器

Tedea 1510 单点式称重传感器
1510各项技术指标:
量程(kg):100—500 kg 
综合精度:0.02%
材质:不锈钢
额定输出(MV/V):2.0±10% 
综合误差:0.030-02020%
工作温度:-30℃~80℃ 
输入阻抗(Ω):380±10 
输出阻抗(Ω):350±3 
电缆:3米 6芯  PU  有屏障
防护等级:IP68
称重传感器技术参数
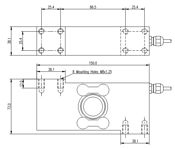
称重传感器产品尺寸

|
版权所有 2016-2023 保留所有@蚌埠大和电气有限公司,网站维护-QQ:958037606 皖ICP备15012470号-1

主要产品:称重传感器,拉力传感器,张力传感器,测力传感器,称重传感器厂家,蚌埠传感器,    站长统计: