◆ 特性与应用
· 电阻应变为敏感元件和集成电路构成的一体产品,
精度高,性能稳定可靠。
· 低量程扭矩测量,安装使用方便。
· 一端为键连接,一端为法兰盘连接。
· 适用于静态扭矩测量。
· 扭矩传感器采用德国技术和生产设备及先进的检测
设备。
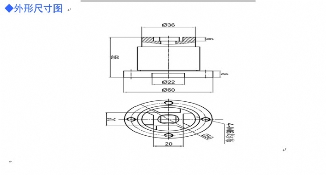
◆技术参数
测量范围:0~0.5,1,2,5,10,20,30Nm
输出灵敏度:1.0~2.0 mV/V
综合精度:±0.1;±0.3; ±0.5%F.S(线性+重复性+滞后)
工作温度:-35~+80℃
温度补偿范围:20~+60℃
零点温度影响:±0.1%F.S/10℃
激励电压:12 VDC
响应频率:100μS
绝缘电阻:2000MΩ/100VDC
输入电阻:700±10/350±10Ω
输出电阻:700±5/350±5Ω
零点输出:0~±1%F.S
安全过载:120%F.S
材质:合金钢
电气连接方式: 输入(电源+):1-红 输出信号+:2-黄
输出信号- : 3-白 输入(电源-):4-绿
