设为首页 | 加入收藏
 
  • 称重传感器,拉力传感器,张力传感器,测力传感器,称重传感器厂家,蚌埠传感器
  • 称重传感器,拉力传感器,张力传感器,测力传感器,称重传感器厂家,蚌埠传感器
  • 称重传感器,拉力传感器,张力传感器,测力传感器,称重传感器厂家,蚌埠传感器
 
 
 


联系人:崔经理

电话:0552-4084411

手机:13855235116

传真:0552-4074422

华东客服:华东客服

华南客服:华南客服

华北客服:华北客服

西南客服:西南客服

邮件:481059721@qq.com

地址:安徽省蚌埠市长青南路233号

网址:http://www.bbdhdq.com


称重传感器 > 产品中心 > 称重传感器
DH-QS桥式称重传感器
[] | [] | [] 称重传感器
产品关键词:桥式称重传感器生产厂家,桥式称重传感器批发价格
产品简介:QS传感器(10t~50t)特点: •双剪切梁式传感器 •综合精度高 •安装简单、快速 •长期稳定性好 •兼容性好 •优质合金钢,表面镀镜 •防护等级IP67 •适用于汽车衡、轨道衡
产品详情
QS传感器(10t~50t
特点:
•双剪切梁式传感器
•综合精度高
•安装简单、快速
•长期稳定性好
•兼容性好
•优质合金钢,表面镀镜
•防护等级IP67
•适用于汽车衡、轨道衡
技术指标:
额定称量
kg
102025304050
灵敏度
MV/V
2±0.002
重复性
%R.C.
≤0.01
滞后
%R.C.
≤0.02
非线性
%R.C.
≤0.02
蠕变(30分钟)
%R.C.
≤0.02
零点输出
%R.C.
≤1
工作温度范围
-20~+70
建议激励电压
V(DC/AC)
10~12
最大激励电压
V(DC/AC)
20
安全过载
%R.C.
150
极限过载
%R.C.
300
防护等级
IP67
电缆长度
m
13m

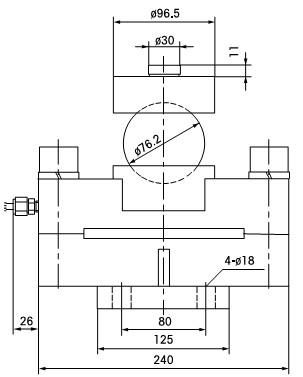
外观尺寸:

|
版权所有 2016-2023 保留所有@蚌埠大和电气有限公司,网站维护-QQ:958037606 皖ICP备15012470号-1

主要产品:称重传感器,拉力传感器,张力传感器,测力传感器,称重传感器厂家,蚌埠传感器,    站长统计: